Legtöbb hiba a monitorok esetében, a tápegységben található kondenzátorok kiszáradásából adódik. Az okokat most nem firtatom, lényeg, hogy a kondenzátorok cseréjével javítható. Rakjunk azonos kapacitásút de egy-el nagyobb feszültség tűréshatárral rendelkezőt. pl.: ha volt benne 1000uF 16V akkor kerüljön bele 1000uF 25V. Tovább bírja az esetek nagy részénél, mivel elég határesetre vannak kiszámolva.
Ez szép és jó de vannak olyan esetek, ahol csere után sem működik a monitor, be sem kapcsol holott a tápegység feszültségek megvannak. Ez általában 5V a vezérlésnek és 15-30V között a háttérvilágításnak a feszültsége, típustól függően. Háttérvilágítás hibákat itt nem tárgyalom.
Ebben az esetben, ha a vezérlőpanelon megvan a 3,3V meg az 1,7V (típus függő, esetek 99% -ban nincs gond vele) ami stabilizátorokkal áll elő az 5V-ból, akkor a monitorunk elfelejtette a programját. Igen ez is egy számítógép. Általában található egy controller (proci) a vezérlőpanel közepén, mellette egy 8 lábú flashrom ezt tartalmazza a programot. DVI-VGA csatlakozók közelében is találhatóak típustól függően 8 lábú eepromok de ezek a felbontást tartalmazzák. (ez mondja meg a PC-nek milyen felbontást tud a monitor)
Visszatérve a 8 lábú flashromra (90% ban nyolc lábú, van hogy több de az is flashrom) jellemző hogy 25-el kezdődik a számozásuk, ez tartalmazza a bootloadert, a monitor programját, jegyzi meg a felhasználó beállításait.
Ha a monitor nem indul ez a program sérült, nagy százalékban csak a program. Elég újraégetni az ebben található programot és működik a készülék. Sokszor evvel a hibával akkor találkoztam ha kapott valami egyenetlen tápellátást a monitor, pl.: kontakthibás dugalj a falban, „kiszáradt tápegység”.
Lényeg, hogy ki kell forrasztani a flashromot, szerezni egy eredeti programot egy ugyan olyan típusú monitorból, és beégetni majd visszaforrasztani a vezérlőpanelra a flashromot.
Ehhez a művelethez szükség lesz egy égető áramkörre, aminek két típusát fogom ismertetni itt. Mindkettőt használtam és működnek, nem én terveztem egyiket sem. Linkelni fogok minden hozzávalót, szoftvert. Valamint közzéteszem néhány monitor programját, hogy javítani tudjátok ezeket a típusokat. (az évek során gyűjtöttem össze, vagy kiolvastam, vagy a netről)
Első körben egy LPT-portra csatlakoztatható epromégetőt és programját ismertetem, évekig használtam, hátránya, hogy elavult szoftvere van, csak 32 bites operációs rendszeren működik. Ebben Hirens boot cd mindig segített. 😀 (vagy valami live oprendszert tartalmazó bootolható eszköz) A program shareware, a lincenszfájl még meg van, így fel fogom tenni azt is.
LPT port flashrom égető (tehnikservice.net):
Lpt portos flash égető szoftvere letölthető itt. Mellékelve LG L1742S, LG L1910, LG L1942, LG W2234S, LG L2520 epromtartalma
Használatához (csak 32 bit Windows-al) be kell másolni a IO.dll filet a c:/windows/System32 könyvtárba.
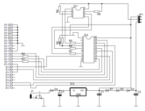
Kapcsolási rajz, nyák, alkatrész lista letölthető itt.
USB-s flash égető CH341A:
Fejlettebb verzió az előzőnél, USB-portra csatlakoztatható és működik a legújabb operációs rendszerekkel.
Nagyon olcsón 1000Ft környékén megvásárolható e-bayen. Az SMD foglalat nem része a kitt-nek. Most már csak ezt használom.
Hozzá való program:
A csomag a driver-t (tudjátok vezetők hajcsárok :D) is tartalmazza, win 10-nél ki kell kapcsolni a driver aláírás ellenőrzést hogy telepíteni lehessen. Ellenőrizve NOD-al nem vírusos mint egyes oldalakon.









